新能源汽车 新能源汽车

    暖空系统

    • 行业需求
    • 行业应用方案
    • 产品选型推荐

    行业需求

    暖通空调(HVAC)系统是指室内或车内负责暖气、通风及空气调节的系统或相关设备。它包括动力机房、冷却水系统、空气处理单元等组成部分。



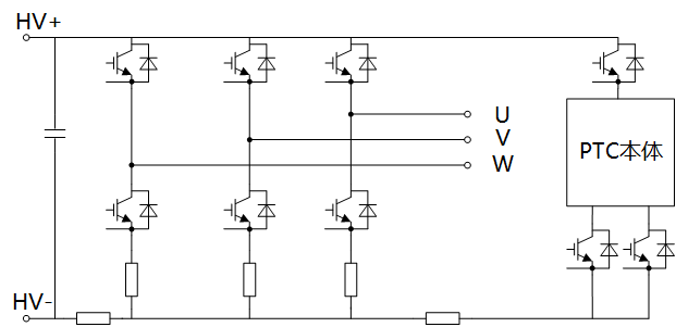
    行业应用方案

    拓扑结构

    暖空系统拓扑图


    产品选型推荐

    型号 电压(V) 电流(A) 封装 拓扑
    MM40G3T120B 1200 40 TO-247 /
    【网站地图】【sitemap】